新商品一覧(2010/12/27 更新分)
▼商品名 |
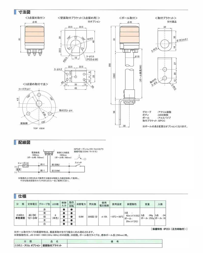
薄型LED回転灯(VL04S型) | ||||||||||||
コードNo. |
|
||||||||||||
商品画像 |
![]() ↑画像をクリックすると商品詳細情報がご覧になれます |
||||||||||||
商品情報 |
|
||||||||||||
備考 |
●モーターレスのため長寿命 ●カラーは赤・黄・緑・青・白の5色を用意 ●スリムで表示灯だけでなく信号灯や装飾灯としても幅広く使用できます ●ポール取付けタイプもラインナップしています。 ●光源に超高輝度LEDのため、消費電力が少なく長寿命 ●モータレスのため磨耗トラブルがありません ●グローブには耐候性、透光性に優れたアクリル樹脂を使用 ●独自のリフレクションシステムで電球式の回転灯に近い閃光を放ちます |
||||||||||||
価格 |
|
||||||||||||
▼商品名 |
電池式小型LED回転灯(VL07B型) | ||||||||||||||||||
コードNo. |
|
||||||||||||||||||
商品画像 |
![]() ↑画像をクリックすると商品詳細情報がご覧になれます |
||||||||||||||||||
商品情報 |
商品の仕様についてはこちらをご覧下さい。 |
||||||||||||||||||
備考 |
●モーターレスのため長寿命 ●光源に超高輝度LEDのため、消費電力が少なく長寿命 ●アルカリ乾電池なら約400時間(赤・黄の場合)の長寿命 ●モータレスのため磨耗トラブルがありません ●グローブには耐候性、透光性に優れたアクリル樹脂を使用 ●回転・点滅切替が可能 ●照度センサーを搭載した自動点灯タイプでは夜間自動点灯可能 ●底面に固定穴とマグネット装備のため 壁掛けやマグネットでの設置が可能 ●保護構造IP55なので屋外での使用でも壁面横向き設置可能 ●別売りで相手器具傷つき防止の保護シールもあります。 |
||||||||||||||||||
価格 |
|
||||||||||||||||||
商品に関するお問い合せ
直接お電話(052-881-1243)いただくか
こちらのお問合せメールフォームからメールでお問合せ下さい。
メールフォームでのお問合せは24時間受け付けております。

